如何提高RTO废气治理设备运行的稳定性,降低设备维护成本,是每个选用RTO废气治理设备企业必须要面对的问题。1、废气采集系统的改进根据车间废气的成分,分成有机废气、无机废气及卤素废气三类,对三种废气进行三种不同的处理方式,把不宜进入RTO废气治理设备的废气分离出去,只留有机废气进入RTO废气治理设备。每个车……
2020-09 25
近几年,随着环保整治力度越来越大,VOCs排放标准不断提高,VOCs废气治理工作的大力推行,化工、医药以及汽车喷漆行业对VOCs废气治理设备投入也在不断增大。……
2020-09 24
随着工业化进程的加快,VOCs废气引起的健康与环境问题引来越来越多的关注,各级政府也已经把VOCs废气治理列为政府的工作重点之一。在当前愈加严格的环保要求下,烟包印企VOCs废气有组织达标排放是保证企业正常运营的前提和保障。烟包印企VOCs废气是烟包在生产过程中由于凹印类产品使用溶剂型油墨、醇水性油墨、稀释剂……
2020-09 18
8月20日,南通市应急管理局发文“关于转发《蓄热式焚烧炉(RTO炉)安全要点》(通应急函[2020] 13号)”,其主要内容为国务院督导组反馈的8项RTO安全要点,要求相关企业贯彻落实。……
2020-09 03
由于精细化工行业废气种类多、成份复杂多变、产生源头多、浓度波动大等特点,易造成RTO设备运行稳定性较差,存在一定的安全隐患,建议企业在运行RTO设备时采取如下安全措施加以防范。……
2020-07 29
工业上采用较多的含氯有机废气治理方法主要有UV光解催化氧化法 、蓄热式燃烧分解和吸附法。但因含氯有机废气毒性大、沸点高,不适宜采用UV光解催化氧化法和吸附法。……
2020-06 30
焦化废气含有沥青烟、苯并芘及苯类等有害物质,如果直接排放,会造成大气污染,影响当地的生态环境。因此,对焦化废气进行处理并使其达标排放,是焦化行业可持续发展的必然要求。……
2020-06 17
蓄热式燃烧分解设备(RTO)是一种高效有机废气治理设备。与传统的催化燃烧、直燃式热氧化炉(TO)相比,具有热效率高、运行成本低、能处理大风量低浓度废气等特点。本文对RTO及相关设施危害因……
2020-06 15
蓄热式催化氧化 RCO、蓄热式热力焚烧 RTO 废气治理技术,是目前能够实现 VOCs 达标排放的有效技术。两种技术从去除率、达标能力上来讲是一致的,但毕竟是两种截然不同的技术,在许多方面还……
2020-06 09
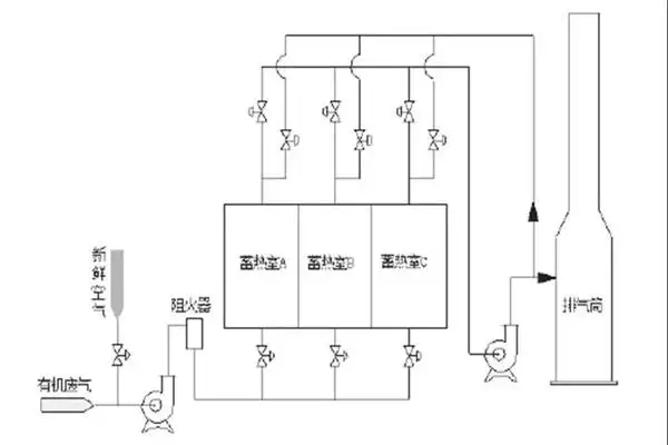
目前,在国内应用广泛、工艺技术较为成熟的蓄热式热氧化炉(RTO)主要为三室RTO,即RTO分为三个蓄热室,其中蓄热室填充床为耐热、耐腐蚀的陶瓷材料填充,确保RTO热回收率在95%以上,以便更好……
2020-05 19